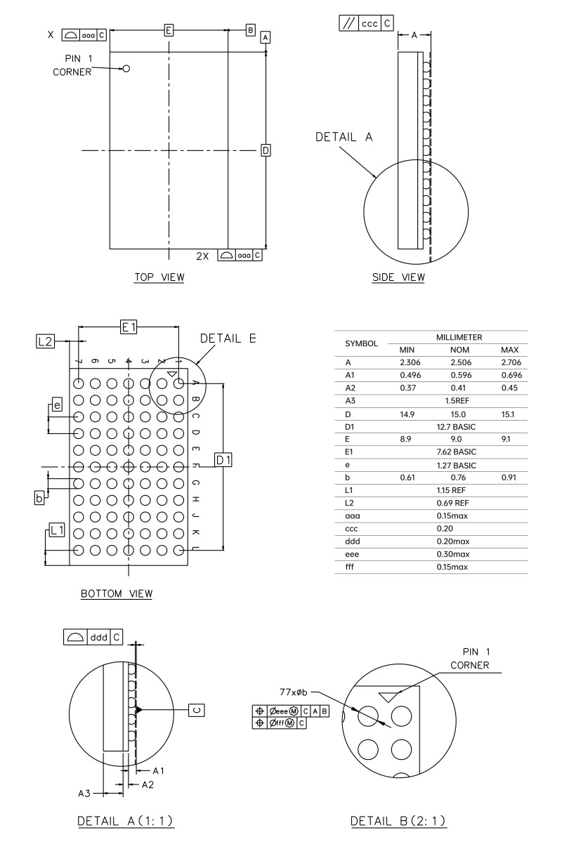
HZX4644T