
HZX4643 4 – КАНАЛЬНЫЙ 3A – ПОНИЖАЮЩИЙ DC / DC МИКРОМОДУЛЬНЫЙ СТАБИЛИЗАТОР НАПРЯЖЕНИЯ REV 1.0 HZX4643 -это четырехъядерный процессор DC/DC понижающий регулятор модуль питания (µModule) с 3A на выход . Выходы могут быть соединены параллельно в массиве до 12A возможность. В комп...
4 - КАНАЛЬНЫЙ 3A - ПОНИЖАЮЩИЙ DC / DC
МИКРОМОДУЛЬНЫЙ СТАБИЛИЗАТОР НАПРЯЖЕНИЯ REV 1.0
HZX4643 —это четырехъядерный процессор DC/DC понижающий регулятор модуль питания (µModule) с 3A на выход . Выходы могут быть соединены параллельно в массиве до 12A возможность. В комплект входят контроллеры переключения, силовые полевые транзисторы, индукторы и вспомогательные компоненты.
Работает в диапазоне входного напряжения 4V ~ 20V или 2.375V ~ 20V с внешним источником смещения, HZX4643 поддерживает диапазон выходного напряжения 0.6V ~ 5.5V каждый из которых устанавливается с помощью одного внешнего резистора. Его высокоэффективная конструкция обеспечивает 3A непрерывный выходной ток на канал. Требуются только емкостные входные и выходные конденсаторы.
1.Четырехканальный модуль питания
2.Широкий диапазон входного напряжения: 4V ~ 20V
3.0.6V ~ 5.5V выходное напряжение
4.Каждый канал может предоставлять 3A DC выходной ток
5.Типичный 1MHz рабочая частота
6.Поддержка внешней синхронизации частоты
7.Текущий режим ACOT контроль, быстрая переходная характеристика
8.Параллельное распределение тока, способный к параллельному выводу 12A
9.Мягкий запуск с подавлением пускового тока
10.Функция отслеживания выходного напряжения, настраиваемый наклон при включении питания
Штырь для измерения внутренней температуры
Защита от перегрузки по току, перегрева и перенапряжения
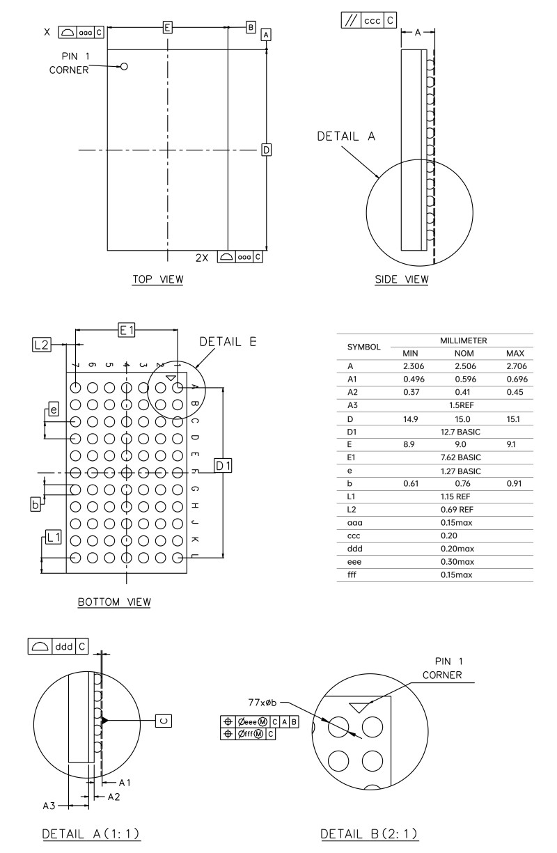
77 (pin) 15mm * 9mm * 2.5mm BGA упаковывание